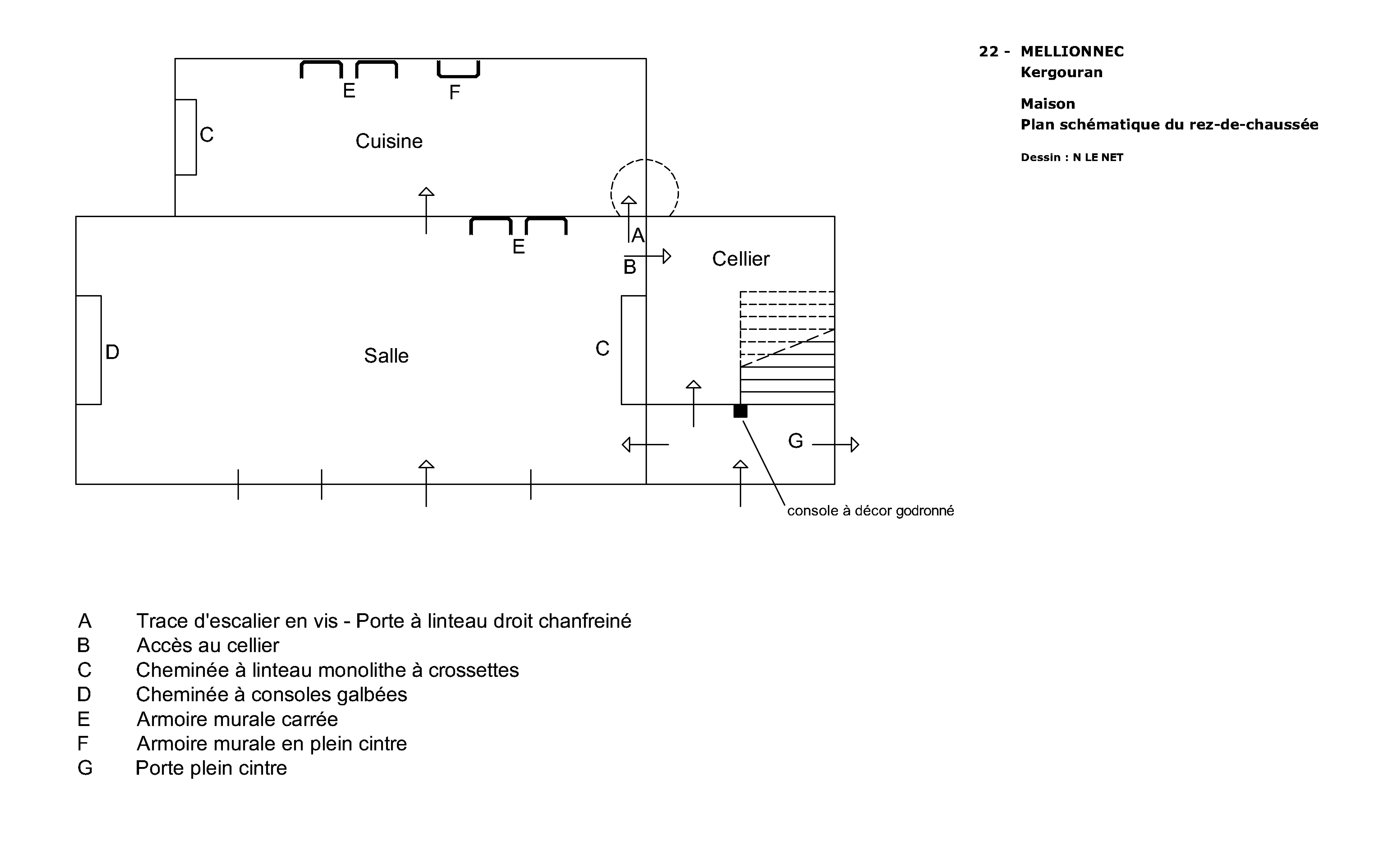
Manoir, Kergouran (Mellionnec),
Plan schématique au solImmatriculation
IVR53_20152207066NUD
Auteur de l'illustration
Copyright
- (c) Archives départementales des Côtes-d'Armor
Année de prise de vue
2014
Diffusion
reproduction soumise à autorisation du titulaire des droits d'exploitation
Type
dessin numérique
Besoin d'informations sur cette illustration ?
Nous contacter
Informations techniques
-
Technique de relevé
- relevé manuel