Malgré son inachèvement (il manque à Kergouran sa partie est, à droite de la cage d'escalier, que signalent des pierres d'attente), ce manoir est une belle réalisation du début du 17e siècle, dont le décor traduit l'influence de la seconde Renaissance. C'est encore la richesse du territoire qui transparait dans cette réalisation. Bien que plus petit, l'escalier à mur-noyau en granite, moderne pour l’époque et le chef-d’œuvre du manoir, se compare avec celui de Trégarantec (Mellionnec), édifié 60 ans plus tard. Il contraste avec la présence sur le mur gouttereau nord à l'étage d'une cheminée dont l'emplacement est peut-être hérité de l'ancien manoir, et qui a été mise au goût du jour par son décor en accord avec celui des deux portes en plein cintre jumelées voisines desservant l'appentis.
- inventaire topographique, Vallée du Scorff
- pré-inventaire
Dossier non géolocalisé
-
Aire d'étude et canton
Gouarec
-
Commune
Mellionnec
-
Lieu-dit
Kergouran
-
Cadastre
1895
A1
280
;
1828
A1
289
;
1996
WA
46
-
Dénominationsmanoir
-
Parties constituantes étudiées
-
Parties constituantes non étudiéesremise, communs
La seigneurie serait attestée en 1427-1448 (réformations de la noblesse) sous le nom de Kerhelgoumarc'h.
Aux abords du manoir figure sur le plan cadastral ancien une forme circulaire qui semble la motte féodale qui a précédé le manoir, les parcelles de forme circulaire qui l'entourent reprenant sans doute le tracé des anciens fossés et talus.
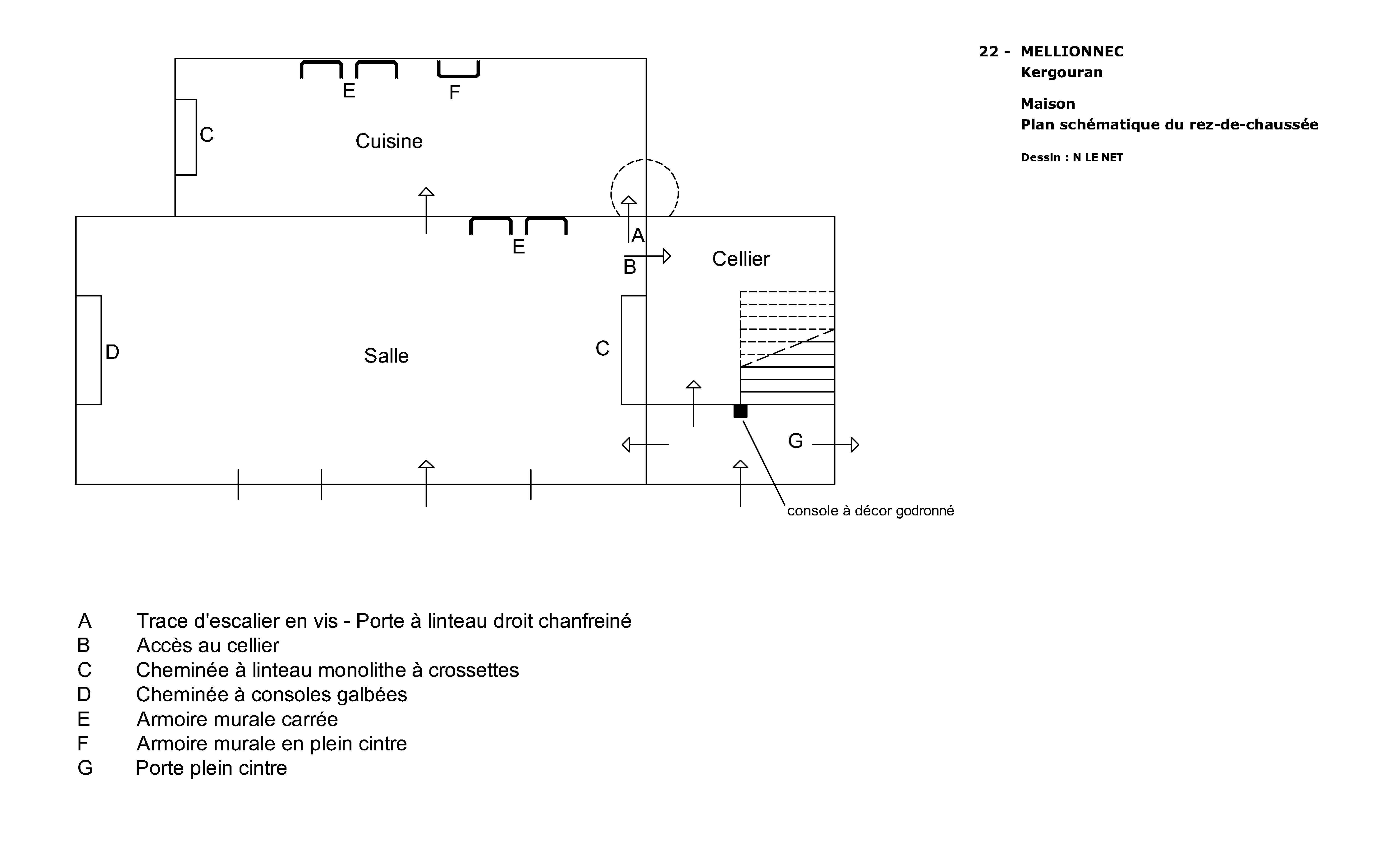
Du premier manoir subsistent les vestiges d'un escalier en vis et sa porte d'accès à la jonction du mur nord et de l'appentis nord. Le manoir actuel est sans doute construit pour la famille de Saint Nouay dont le blason figure sur la cheminée ouest du 1er étage, au début du 17e siècle : la date de 1616 qui figurerait sur des plans originaux non retrouvés en 1999, n'a pas été confirmée. Un appentis au nord, qui abrite la cuisine, est contemporain. Le bâtiment est resté inachevé, peut-être en raison de l’extinction de la famille de Saint-Nouay, fondue dans Jégou du Laz en 1681 : des pierres d'attente au mur pignon est et des portes bouchées dans la cage d'escalier l'attestent. Une travée de fenêtres a été percée à l'ouest dans la 1ère moitié du 19e siècle.
Les communs en retour à l'ouest sont contemporains du manoir. La remise à l'est a été ajoutée au 19e siècle.
-
Période(s)
- Principale : 16e siècle , (incertitude), , (détruit)
- Principale : 1er quart 17e siècle
- Secondaire : 1ère moitié 19e siècle
-
Dates
- 1616, daté par source
Logis en pierre de taille à élévation à travées, couvert en ardoise, à toiture à pignon découvert. La porte d'accès au logis est surmonté d'une pierre carrée blasonnée, dont les armes ont été buchées.
L'étage carré et le grenier, à l'origine desservis par un escalier en vis en granite dans une tourelle circulaire en demi hors-oeuvre (ont la forme bombée se devine sur l'élévation nord) situé dans l'angle nord-est de la salle (desservi par une porte rectangulaire en place), sont distribués par un escalier situé à l'extrémité est, en granite, tournant à retours sans jour, à volée droites sur mur noyau. Au rez-de-chaussée, le noyau comporte une console en quart de rond godronnée qui supporte une traverse en pierre. La cage d'escalier comporte à l'est deux portes bouchées qui devaient distribuer un corps latéral jamais réalisé. Deux cheminées en granite dans la salle du rez-de-chaussée contre les pignons, une dans la cuisine dans l'appentis nord, qui comporte aussi trois armoires murales, deux carrées, une en plein cintre avec tablette.
A l'étage divisé en deux pièces de taille inégale par une cloison de bois, la cheminée ouest porte le blason des Saint Nouay avec un décor d'entrelacs sur les piédroits. La seconde cheminée est située contre le mur gouttereau nord et voisine avec deux portes en plein cintre qui donnent dans l'appentis.
Les communs, partiellement en pierre de taille, couverts en ardoise d'un toit à longs pans, sont en rez-de-chaussée.
-
Murs
- granite pierre de taille
-
Toitsardoise
-
Étages1 étage carré
-
Élévations extérieuresélévation à travées
-
Couvertures
- toit à longs pans
- appentis
- pignon découvert
-
Escaliers
- escalier dans-oeuvre : escalier tournant à retours sans jour en maçonnerie
-
Énergies
-
TypologiesManoir à deux pièces par niveau, armoire murale, cheminée sur gouttereau
-
Techniques
- sculpture
-
Représentations
- armoiries, entrelacs
-
Précision représentations
La cheminée de l'étage, à l'ouest, porte le blason des Saint-Nouay (d'argent au sanglier passant de sable) sculpté au centre du linteau, et un décor d'entrelacs sur les piédroits.
-
Statut de la propriétépropriété privée
- (c) Archives départementales des Côtes-d'Armor
- (c) Archives départementales des Côtes-d'Armor
- (c) Inventaire général, ADAGP
- (c) Inventaire général, ADAGP
- (c) Inventaire général, ADAGP
- (c) Inventaire général, ADAGP
- (c) Inventaire général, ADAGP
- (c) Région Bretagne
- (c) Inventaire général, ADAGP
- (c) Inventaire général, ADAGP
- (c) Inventaire général, ADAGP
- (c) Inventaire général, ADAGP
- (c) Inventaire général, ADAGP
- (c) Inventaire général, ADAGP
- (c) Inventaire général, ADAGP
- (c) Inventaire général, ADAGP
- (c) Inventaire général, ADAGP
- (c) Inventaire général, ADAGP
- (c) Inventaire général, ADAGP
- (c) Inventaire général, ADAGP
- (c) Inventaire général, ADAGP
- (c) Inventaire général, ADAGP
- (c) Inventaire général, ADAGP
- (c) Inventaire général, ADAGP
- (c) Inventaire général, ADAGP
- (c) Région Bretagne
- (c) Région Bretagne
- (c) Région Bretagne
Bibliographie
-
Inventaire général de monuments et richesse artistiques de la France. Vallée du Scorff : Bretagne. Images du Patrimoine, n°196 , Rennes, APIB, 2000.
p.70 -
LAIGUE, Comte René de. La noblesse bretonne au XIVe et XVe siècles. Réformations et montres. Evêché de Vannes. Rennes : Plihon, 1902. Rééd. 2001.
p. 356-359 -
Le Saulnier de Saint-Jouan, Régis. Dictionnaire des communes. Département des Côtes-d'Armor. Éléments d'histoire et d'archéologie. 1990.