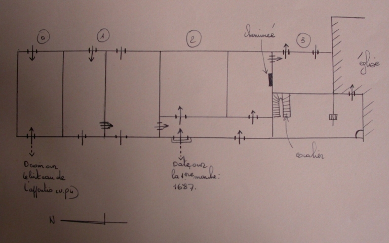
Presbytère, 17 place de l'église (Hédé),
Plan au sol réalisé en 1975 par J. R. TrochetImmatriculation
IVR53_20053518201NUCA
Auteur de l'illustration
(reproduction)
-
Dalibard SabrinaDalibard SabrinaCliquez pour effectuer une recherche sur cette personne.
Copyright
Diffusion
reproduction soumise à autorisation du titulaire des droits d'exploitation
Type
phototype numérique
Besoin d'informations sur cette illustration ?
Nous contacter